
Unhappy with any existing custom options I set out to design a ski storage system for in my truck bed with a folding tonneau cover. My requirements were:
- Needed to not take up the entire bed space (ex: sitting flat on bed) and would allow room for gear and bins.
- Hold up to 4 pairs of skis
- Easily removable
At first I considered just using my Thule roof racks and somehow building a frame for them to sit in the bed, but didn’t like that it would take up the majority of bed space. You also need space to open the track, which the tonneau cover wouldn’t be easy to manage under. The racks I was most intrigued by were those that hung skis along the bed sides above the wheel well. One or maybe two would fit above, but not four – so I decided something angled that went over the wheel well would be the best use of this space. After several iterations of ski spacing along the angle, start/end points I came up with this current layout. This was specifically designed for the Silverado/Sierra but I expect the angle and spacing should be right for most other full-size pickups. The only exception might be how you mount it to the bedside.
Rack Design





I used 1/2″ plywood which was easy to work with and cheaper to iterate over a few versions. I’ll likely rebuild it using 3/4″ plywood next winter. You should be able to build this with only a half-sheet of plywood.
Materials
- Plywood/sheet material or other wood: at least 30″ x 10″ (2)
- Same plywood or other wood 28″ long (2)
- 1 1/2″ Hole saw: Single or Set
- Table saw/circular saw and a jig saw.
- Roundover router bit(s) and trim router (optional)
Steps

- Rough cut your wood
- Each side can be made from 30″ x 10″ piece.
- 2-3 cross members will connect the sides, these are 28″ long.

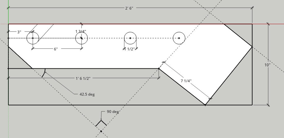
- Cut out side template
- The rack sits in the bed at a 42.5 degree angle.
- I’ve marked some relevant angles and dimensions on the diagram, depending on how you layout your cuts or what you’re using you may find different angles/measurements derived from the diagram useful.
- The main rack “tounge” itself is 5 1/2″ wide and is 18 1/2″ long to the first angle.
- Layout ski slot holes
- The holes begin 3″ from the bottom and 6″ apart from there (measured from the center), and are 1 3/4″ from the top edge of the rack. This makes the ski slots roughly 2 1/2″ deep.
- Drill your 4 hole-saw holes at each mark.
- Connect the holes to top of rack edge using parallel cuts.

- Attach sides together
- I settled on 28″ between each side, less than this and bindings began to interfere between all the skis I plan to carry.
- Depending on types of skis/bindings you could adjust this width.

- I took a router bit to round off all the edges of ski holes and top-edge to make them less sharp and not as prone to catch on gear/hands.
- Finish/paint to your liking.
- Add padding to the bottom to protect your bed/provide some shock absorption, I used old bike tire innertube.

Mounting to Bed

This is what specifically worked for me in my 2022 (refresh) Silverado with a short-box (5’8″) bed. I knew the tie-down blanks located around the bed would be the most non-intrusive way to mount this, and I experimented with a few different options. I bought a set of anchors to experiment with.
My first experiment was to modify the anchors themselves to integrate with the rack, and create a bolt-in setup.
- Cut off anchor itself
- recessed anchor plate in rack face
- Bought longer bolts to thread through front of rack into threaded anchor.


There is some play to where the anchors fit but lining these up properly was still critical, and difficult when you can’t see where the holes are. In general this worked – and made for a very secure rack, but wasn’t clear how tight you’re tightening the anchors. I determined this was also too-permanent, and would require tools to remove.
Next and final solution was using the anchor-points as-is and creating a tab on the rack that will fit into the anchor. I don’t have measurements for this – you’ll have to plan the cross members to be wide enough to cut tabs in like this and be in the right place to connect with how you decide to mount it.


- Spacing of these tabs is also important – but it’s easy to build in some play.
- The hole had to be about 3x taller than the anchor height, with the tab protruding about 1.5x into the hole.
- Took some carving to shave the tab into the right shape to slide into the anchor, and had to trim the back to provide clearance for the anchor mounting bolt.
- In the future I’d consider trying to build a locking tab that expands, or maybe a way to use a pin to lock this in place.
So far this has worked great – easy to remove and secure enough once it’s loaded with skis. Driving around with no skis it hasn’t popped out.
Conclusion


We had an entire January-February with no snow which gave me time to complete the design… Finally got to test it out in March. It works great! 2/3 of the bed is free for gear or sitting in the bed, poles and shovel can all fit under the rack. I can load/unload with the tonneau cover closed completely, or open a few panels and it’s even easier.
Modifications I might consider in the future:
- Lining each ski slot, or the entire top of rack in indoor outdoor carpet to make skis easier to slide in and out.
- On the side closer to the cab – cut down the low-side peak of the hole. When reaching in with skis it would provide a flat-spot to land the ski tips on and then slide into the slot.

- If the rack could slide in and out it would help with loading. I could envision a way to create a linear slot over the anchor points, and then variable ways to secure it.
Good luck and happy skiing!
